Опорные подушки ОП 2 производится согласно действующих норм и правил для обустройство теплотрасс и тоннелей. В состав таких сооружений входят ОП 2. Данные изделия относятся к категории железобетонных высокопрочных изделий. Действующий Регламент по производству и транспортировке ОП 2 - Серия 3.006.1-2.87, где зафиксированы требования и проектные чертежи для производства железобетонных опорных подушек.Различные сферы строительства, теплоэнергетики и дорожное хозяйство широко используют опорные подушки, как оптимальный вариант строительного материала при возведении сложных технических сооружений.

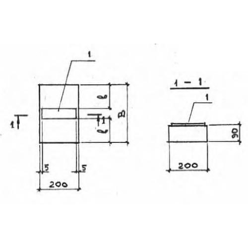
Подушки ОП 2 выпускают длиной 200 , шириной 300 , высотой 90 . Геометрический объем изделия составляет 0,0054 , объем бетона - 0,005 . Буквенное обозначение включает маркировку типа железобетонного изделия ОП – опорная подушка. Цифровая маркировка – размерная группа.
Дополнительно может быть указана расчетная вертикальная нагрузка в кн/см2. Вес опоры – 13кг.
Нет вопросов о данном товаре, станьте первым и задайте свой вопрос.